Việc nắm vững sơ đồ nồi cơm điện là yếu tố then chốt để hiểu rõ cơ chế gia nhiệt và duy trì độ bền cho thiết bị điện gia dụng. Hiểu đúng về mạch điện, rơ le nhiệt, mâm nhiệt và cách thức điều khiển tự động giúp người dùng tối ưu hóa hiệu suất nấu nướng. Bài viết cung cấp cái nhìn chuyên sâu về hệ thống truyền tải nhiệt bên trong các dòng nồi cơm hiện nay.
Cấu tạo cốt lõi trong sơ đồ nồi cơm điện cơ
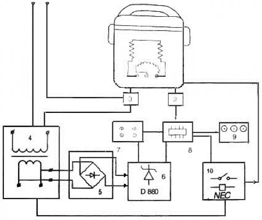
Sơ đồ bộ phận của một chiếc nồi cơm truyền thống thường tập trung vào ba thành phần chính: dây điện trở chính, điện trở phụ và hệ thống kiểm soát nhiệt. Trong đó, dây điện trở nấu (Rc) đảm nhận nhiệm vụ gia nhiệt mạnh mẽ để làm chín gạo, còn điện trở hâm (Rp) duy trì độ nóng ở mức thấp.
Hiểu rõ cách sắp xếp các linh kiện trong sơ đồ nồi cơm điện giúp kỹ thuật viên dễ dàng xác định vị trí lỗi khi thiết bị không vào điện hoặc không chuyển chế độ. Hệ thống này hoạt động dựa trên sự phối hợp chặt chẽ giữa nam châm vĩnh cửu và bảng lưỡng kim để đóng ngắt mạch điện đúng thời điểm.
Sơ đồ nguyên lý cấu tạo chi tiết các linh kiện bên trong nồi cơm điện cơ
Nguyên lý chuyển đổi trạng thái trên sơ đồ nồi cơm điện
Quy trình vận hành trong sơ đồ nồi cơm điện bắt đầu khi người dùng ấn cần điều khiển, làm cho nam châm bị hút chặt vào đáy trụ sắt. Thao tác này đóng tiếp điểm N, cấp nguồn cho điện trở chính Rc và đèn báo nấu. Nhiệt lượng bắt đầu tăng cao để đun sôi nước và làm chín hạt gạo nhanh chóng.
Khi nhiệt độ đạt ngưỡng khoảng 70°C, bảng lưỡng kim trong sơ đồ nồi cơm điện sẽ cong lên để đóng tiếp điểm hâm H. Tuy nhiên, lúc này điện trở phụ Rp chưa hoạt động do bị ngắn mạch và nhiệt độ vẫn tiếp tục tăng. Sự tinh tế trong thiết kế này đảm bảo cơm được nấu chín đều từ lõi ra ngoài.
Biểu đồ minh họa trạng thái nấu và hâm dựa trên sự thay đổi nhiệt độ
Phân tích sơ đồ nồi cơm điện các thương hiệu Sharp và Toshiba
Đối với các dòng nồi cơm như Sharp KS-18ST hoặc Toshiba RCK 1066, mạch điện được tối giản hóa để tăng độ bền cơ học. Trong sơ đồ nồi cơm điện của Sharp, công tắc đóng mở kết hợp với nam châm vĩnh cửu tạo thành một hệ thống bảo vệ quá nhiệt đáng tin cậy. Các ký hiệu R1 (nấu) và R2 (hâm) được phân tách rõ ràng để quản lý dòng điện hiệu quả.
Sự khác biệt về điện áp (110V ở các mẫu Nhật bãi và 220V ở Việt Nam) cần được lưu ý kỹ khi xem xét sơ đồ nồi cơm điện. Việc đấu nối sai nguồn điện so với sơ đồ thiết kế có thể gây cháy mâm nhiệt hoặc hỏng hóc các linh kiện phụ trợ như đèn báo và cầu chì nhiệt.
Sơ đồ mạch điện thực tế của dòng nồi cơm điện Sharp phổ biến trên thị trường
Sự phát triển của sơ đồ nồi cơm điện tử dùng mạch vi xử lý
Khác với dòng cơ, sơ đồ nồi cơm điện tử tích hợp thêm mạch IC, cảm biến nhiệt điện trở (NTC) và màn hình hiển thị. Hệ thống này không chỉ nấu cơm mà còn có khả năng điều chỉnh áp suất và thời gian nhờ vào thuật toán AI tích hợp. Rơ le điện tử và Tiristor thay thế cho các tiếp điểm cơ học truyền thống để đóng ngắt dòng điện.
Trong sơ đồ nồi cơm điện điều khiển bằng vi mạch, biến áp nguồn có nhiệm vụ hạ áp để cung cấp điện cho khối xử lý và các phím chức năng. Khả năng kiểm soát nhiệt độ của dòng điện tử chính xác đến từng độ C, giúp giữ nguyên giá trị dinh dưỡng của hạt gạo. Đây là bước tiến vượt bậc so với các mạch điện cơ cũ.
Cấu trúc sơ đồ mạch điện tử điều khiển nhiệt độ thông qua vi xử lý IC
Việc đọc hiểu sơ đồ nồi cơm điện đòi hỏi sự quan sát tỉ mỉ về các mối nối và ký hiệu kỹ thuật. Khi nhiệt độ nấu đạt đến giới hạn 125°C, tính từ của nam châm mất đi khiến tiếp điểm N mở ra, kết thúc quá trình nấu. Lúc này, sơ đồ nồi cơm điện chuyển sang chế độ hâm nóng ổn định ở mức 70-90°C để cơm luôn nóng hổi.
Nghiên cứu kỹ về sơ đồ nồi cơm điện không chỉ giúp bạn làm chủ thiết bị mà còn đảm bảo an toàn điện trong gia đình. Việc thay thế linh kiện đúng thông số kỹ thuật dựa trên sơ đồ sẽ kéo dài tuổi thọ cho nồi cơm điện đáng kể.
Tổng kết lại, hiểu rõ sơ đồ nồi cơm điện giúp người dùng vận hành thiết bị hiệu quả và an toàn hơn. Việc nhận biết cấu tạo mâm nhiệt và mạch điều khiển là nền tảng để bảo trì máy móc bền bỉ theo thời gian.
Ngày chỉnh sửa 19/03/2026 by Anh Ngân
